Dc Motor Hız Kontrol Devresi Yapımı

Basit Yoldan Dc Hiz Kontrol Devresi Yapimi Sayfa 3 Kontrol Kalemi Forumlari

Basit Yoldan Dc Hiz Kontrol Devresi Yapimi Sayfa 3 Kontrol Kalemi Forumlari

Pwm Dc Motor Hiz Kontrol Devre Yapimi Rc Arac Yapimi Diy Hobi Elektronik Arduino Projeler Rc Ucak Yapimi

Pwm Dc Motor Hiz Kontrol Devre Yapimi Rc Arac Yapimi Diy Hobi Elektronik Arduino Projeler Rc Ucak Yapimi

Pwm Dc Motor Hiz Kontrol Devre Yapimi Rc Arac Yapimi Diy Hobi Elektronik Arduino Projeler Rc Ucak Yapimi

Pwm Dc Motor Hiz Kontrol Devre Yapimi Rc Arac Yapimi Diy Hobi Elektronik Arduino Projeler Rc Ucak Yapimi

Dc Motor Hiz Ve Yon Kontrol Devresi Pwm Monteli

Dc Motor Hiz Ve Yon Kontrol Devresi Pwm Monteli

Dc Motor Hiz Kontrol Devresi Pwm Ile Elektronik Hobi

Dc Motor Hiz Kontrol Devresi Pwm Ile Elektronik Hobi

Dc Motor Hiz Kontrolu Diyot Net Nedir

Dc Motor Hiz Kontrolu Diyot Net Nedir

Dc Motor Hiz Kontrolu Diyot Net Nedir

Bir triyak dayalı basit 120 vac motor hız kontrol cihazı.

Dc motor hız kontrol devresi yapımı. Sizlere daha güzel ve. Motor hız kontrol devresi 12 volt dc motor hız ayarı mini motor hız kontrolüdevre şeması https goo gl k3d4jfarkadaşlar herkese merhabalar bu videomuz da d. Bir yol tl082 opampın ve irf510 güç mosfet dayalı fan kontrolü. Dc motor kontrol devresi.

Dc motorların hız ölçümü projelerde yaşanan en büyük sorunlardan birisidir bu projemizde hız ölçer yapımını göstereceğiz motorların bazıları patinaj yaptığından dolayı arabalarda düz gitmeme sorunu yaşanmaktadır bu sorunu dc motorun hızını ölçerek ve motorların birbirine eşitleme algoritmasını kullanarak çözebiliriz. Super speed big dc motor car ev yapımı oyuncak kamyon. Arduino merhabalar arkadaşlar bu yazımızda potansiyometre ile dc motor hız kontrolü nasıl yapılır bağlantı şeması ve gerekli malzemeleri öğreneceğiz. Pic16f84 ile dc motor hız kontrol devresi yapımı.

Bu videoda siz sevgili dostlarıma basit ama etkili bir yöntem gösterceğim. Devrenin 2 farklı versiyonu mevcuttur. Dc motor hız ve yön kontrol devresi pwm hho hidroliz devresi 5 25v 8a elektronik devre org. Bunların popüler olanlarını yaptım ve test ettim.

Dc motor hız kontrol devresi olarak popüler 3 4 farklı tasarım mevcut. Bacağa bağlı olan tasarım ve 555 yerine lm358 entegresi kullanılan tasarım vs. Dc motor düz akım elektrik enerjisini mekanik enerjiye dönüştürebilen motordur. Abone olmayı ve beğeni bırakmayı unutmayın.

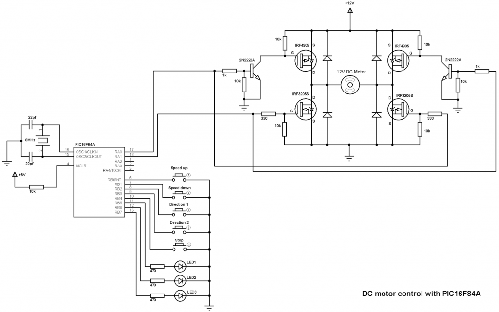
Devrede hız arttırıp azaltmaya yarayan 2 adet buton bulunuyor. Bu devre pic16f84 mikrodeneteyicisi ile dc motorların hızını kontrol etmemize yarıyor.

Tl494 Pwm 20 Amper 12v 24v Dc Motor Hiz Kontrolu Elektronik Devreler Projeler

Tl494 Pwm 20 Amper 12v 24v Dc Motor Hiz Kontrolu Elektronik Devreler Projeler

Mcu Turkey Pwm Ile Dc Motor Hiz Kontrolu

Mcu Turkey Pwm Ile Dc Motor Hiz Kontrolu

Yuksek Guclu 30 Amper Dc Motor Hiz Kontrol Devresi Elektronik Devreler Projeler

Yuksek Guclu 30 Amper Dc Motor Hiz Kontrol Devresi Elektronik Devreler Projeler

Sicaklik Ile Dc Motor Hiz Kontrolu

Sicaklik Ile Dc Motor Hiz Kontrolu

Ccmhcn 15a 6 90v Pwm Dc Motor Hiz Kontrol Modulu

Ccmhcn 15a 6 90v Pwm Dc Motor Hiz Kontrol Modulu

Isis 22 Dc Motor Hiz Kontrol Devresi Proteus Kitabi

Isis 22 Dc Motor Hiz Kontrol Devresi Proteus Kitabi

Otomatik Dc Motor Hiz Ve Yon Kontrol Devresi 2000w 10 50v Youtube

Otomatik Dc Motor Hiz Ve Yon Kontrol Devresi 2000w 10 50v Youtube

Dogru Akim Motor Icin Hiz Kontrol Cihazi Nasil Yapilir Dc Motor Speed Control Circuit Youtube

Dogru Akim Motor Icin Hiz Kontrol Cihazi Nasil Yapilir Dc Motor Speed Control Circuit Youtube

Pic16f84a Mikrodenetleyici Ile Dc Motor Hiz Kontrol Ve Devir Yonu Degistirme Uygulama Devresi Ve Program Kodu Egitim Ve Teknoloji

Pic16f84a Mikrodenetleyici Ile Dc Motor Hiz Kontrol Ve Devir Yonu Degistirme Uygulama Devresi Ve Program Kodu Egitim Ve Teknoloji

Ac Motor Hiz Kontrol Devresi Tristor Ve Triyakla Hiz Kontrol Elektrik Rehberiniz

Ac Motor Hiz Kontrol Devresi Tristor Ve Triyakla Hiz Kontrol Elektrik Rehberiniz

Tl494 Pwm 20 Amper 12v 24v Dc Motor Hiz Kontrolu Elektronik Devreler Projeler

Tl494 Pwm 20 Amper 12v 24v Dc Motor Hiz Kontrolu Elektronik Devreler Projeler

Basit Dc Motor Kontrol Devresi Elektronikdevreler

Basit Dc Motor Kontrol Devresi Elektronikdevreler

Dc Motorlarin Surulmesi Ve Surucu Devreleri Pdf Ucretsiz Indirin

Dc Motorlarin Surulmesi Ve Surucu Devreleri Pdf Ucretsiz Indirin

Arduino Dersleri 14 Dc Motor Hiz Ve Yon Kontrolu

Arduino Dersleri 14 Dc Motor Hiz Ve Yon Kontrolu

Pic16f84a Ile Dc Motor Ileri Geri Kontrolu Roboturka Com

Pic16f84a Ile Dc Motor Ileri Geri Kontrolu Roboturka Com

Pwm Devreleri Elektronik Devreler Projeler

Pwm Devreleri Elektronik Devreler Projeler

Dc Motor Kontrolu

Dc Motor Kontrolu

Elektronik Proje Ders Temrinleri Ve Uygulamalari Tristor Ile Dc Motor Hiz Kontrolu 11

Elektronik Proje Ders Temrinleri Ve Uygulamalari Tristor Ile Dc Motor Hiz Kontrolu 11

Motor Hiz Kontrolu Devresi Nasil Yapilir Devre Semasi Dijital Teknoloji Yazilim Ve Teknoloji Urunlerinin Tanitimi

Motor Hiz Kontrolu Devresi Nasil Yapilir Devre Semasi Dijital Teknoloji Yazilim Ve Teknoloji Urunlerinin Tanitimi

Dc Motor Devir Kontrol Devresi Www Robotdevreleri Com

Dc Motor Devir Kontrol Devresi Www Robotdevreleri Com

Jal Ile Dc Motor Hiz Kontrolu Pic16f84a Pwm Elektronik Devreler Projeler

Jal Ile Dc Motor Hiz Kontrolu Pic16f84a Pwm Elektronik Devreler Projeler

Dc Motor Hiz Kontrolu Potansiyometre Ile Motor K How To Make A Simple Dc Motor Speed Controller Youtube

Dc Motor Hiz Kontrolu Potansiyometre Ile Motor K How To Make A Simple Dc Motor Speed Controller Youtube

Potansiyometre Ile Dc Motor Kontrolu Arduino Projeleri Hayaletveyap

Potansiyometre Ile Dc Motor Kontrolu Arduino Projeleri Hayaletveyap

Pic16f877a Ile Dc Motor Pwm Hiz Kontrolu Roboturka Com

Pic16f877a Ile Dc Motor Pwm Hiz Kontrolu Roboturka Com

Source : pinterest.com